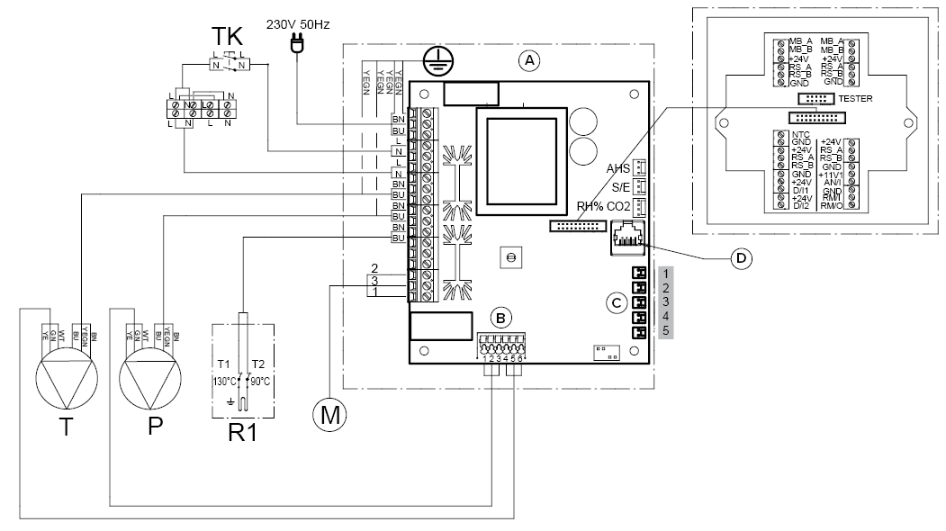
Interner elektrischer Anschluss

A Hauptplatine 11V1 11,1 V Betriebsspannung
B
  1. Abluftventilator Tacho (WT)
  2. GND (GN)
  3. Abluftventilator PWM (YE)
  4. Zuluftventilator Tacho (WT)
  5. GND (GN)
  6. Zuluftventilator PWM (YE)
AN/I Analogeingang 0-10 VDC
C
  1. Abluft
  2. Außenluft
  3. Zuluft
  4. Fortluft
  5. Zuluft vom Wärmetauscher
RM/I 24-V-Relaiseingang
D LAN RM/O 24-V-Relaisausgang
MB_A Signal A, externer Modbus V Antrieb für den Wärmetauscher für Flüssigkeiten
MB_B Signal B, externer Modbus T Zuluftventilator
+24 V +24 V Spannung (Gleichstrom) P Abluftventilator
GND Digitales und analoges Grundpotential M Klappenmotor LM230
RS_A Signal A, Lokaler Modbus TK Sicherheitsschalter
RS_B Signal B, Lokaler Modbus AHS Steuerung Nachheizung
NTC Anschluss für externen Temperatursensor S/E Einstellung des Ventilatorabgleichs
D/l1 Digitaleingang 1 %RH CO2 Interner Feuchte- und Kohlendioxidsensor
D/l2 Digitaleingang 2 R1 Nachheizregister mit Überhitzungsschutz bei 90 °C und 130 °C
Tabelle 1. Leitungsfarben
Code Farbe Code Farbe
BK Schwarz GY Grau
BU Blau YE Gelb
BN Braun YEGN Gelb-grün
WT Weiß