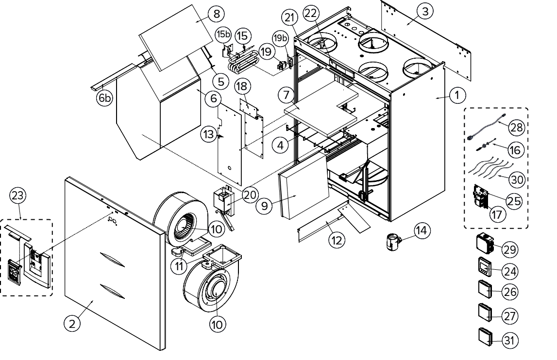
| 1 | Seitenplatte |
| 2 | Tür |
| 3 | Wandmontageplatte |
| 4 | Filterhalterung (Grobstaubfilter für
Zuluft) |
| 5 | Filterhalterung (Grobstaubfilter für
Abluft) |
| 6 | Wärmetauscher |
| 6b | Oberes Dichtelement des
Wärmetauschers |
| 7 | Zuluft-Grobfilter |
| 8 | Abluft-Grobfilter |
| Bis 26.5.2014 |
| Seit 27.5.2014 |
| 9 | Zuluft-Feinfilter |
| 10 | Ventilator |
| 11 | Ventilatordichtung |
| 12 | Baugruppe Sommer-/Winter-Klappe (im
Auftrag angeben, ob linkes oder rechtes Modell) |
| 13 | Deckel des Schaltkastens |
| 14 | Siphon Vallox Silent Klick |
| 15 | Nachheizwiderstand |
| 16 | Interner Feuchtigkeits- und
Kohlendioxidsensor |
| 17 | Hauptplatine |
| 18 | Leiterplattenhalterung |
| 19 | Sicherheitsschalter |
| 19b | Gehäuse des Sicherheitsschalters |
| 20 | Klappenmotor |
| 21 | Frontleiste an der Oberseite des
Geräts |
| 22 | Typenschild |
| 23 | Verschlusshebel |
| 24 | Bedienelement MV C80 |
| 25 | Feinsicherung 80 mA, träge
5 x 20 mm |
| 26 | MyVallox Luftfeuchtigkeitssensor (optional) |
| 27 | MyVallox Kohlendioxidsensor (optional) |
| 28 | RJ45 Verlängerungskabel |
| 29 | Baugruppe Anschlussbox |
| 30 | NTC Sensorsatz |
| 31 | MyVallox VOC-Sensor (optional) |