Springe zum Hauptinhalt
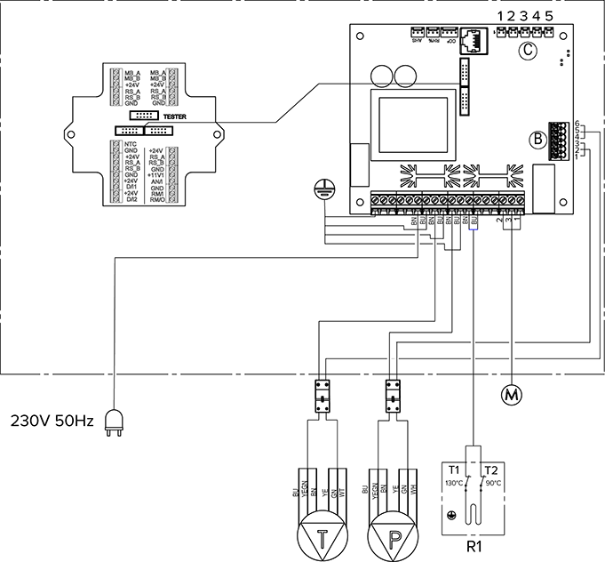
Interner elektrischer Anschluss ValloPlus 180 MV/ValloPlus 180 MV-K
- A
- Hauptplatine
- B
-
- Abluftventilator Tacho (WT)
- GND (GN)
- Abluftventilator PWM (YE)
- Zuluftventilator Tacho (WT)
- GND (GN)
- Zuluftventilator PWM (YE)
- C
-
- Abluft
- Außenluft
- Zuluft
- Fortluft
- Zuluft vom Wärmetauscher
- D
- LAN
- MB_A
- Signal A, Externer Modbus
- MB_B
- Signal B, Externer Modbus
- +24 V
- +24 V Spannung (Gleichstrom)
- GND
- Digitales und analoges Grundpotential
- RS_A
- Signal A, Lokaler Modbus
- RS_B
- Signal B, Lokaler Modbus
- NTC
- Anschluss für externen Temperatursensor
- D/I1
- Digitaleingang 1
- D/I2
- Digitaleingang 2
- 11V1
- 11,1 V Betriebsspannung
- AN/I
- Analogeingang 0-10 VDC
- RM/I
- 24-V-Relaiseingang
- RM/O
- 24-V-Relaisausgang
- T
- Zuluftventilator
- P
- Abluftventilator
- M
- Klappenmotor
- AHS
- Regelung des Nachheizregisters
- S/E
- Einstellung des Ventilatorabgleichs
- Relative Luftfeuchtigkeit
- Interner Luftfeuchtigkeitssensor
- R1
- Nachheizwiderstand mit Überhitzungsschutz bei 90 °C und 130 °C