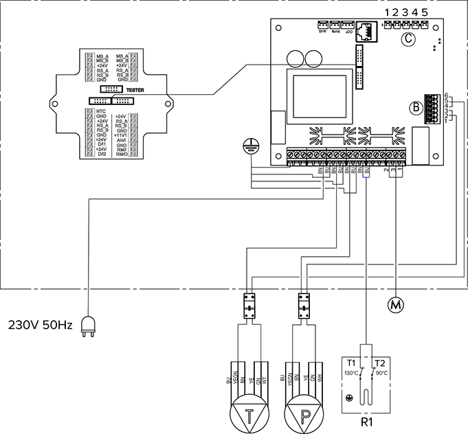
Sisäinen sähkökytkentä Vallox 51K MV

A Emokortti 11V1 11,1 V käyttöjännite
B
  1. Poistoilmapuhallin Tako (WT)
  2. GND (GN)
  3. Poistoilmapuhallin PWM (YE)
  4. Tuloilmapuhallin Tako (WT)
  5. GND (GN)
  6. Tuloilmapuhallin PWM (YE)
AN/I Analoginen sisääntulotulo 0-10 VDC
C
  1. Poistoilma
  2. Ulkoilma
  3. Tuloilma
  4. Jäteilma
  5. Tuloilma LTO-kennosta
RM/I 24 V -releen sisäänmeno
D LAN RM/O 24 V -releen ulostulo
MB_A Ulkoinen Modbus A -signaali T Tuloilmapuhallin
MB_B Ulkoinen Modbus B -signaali P Poistoilmapuhallin
+24V +24 V tasavirtajännite (DC) M Peltimoottori
GND Digitaalinen ja analoginen maapotentiaali S/E Puhaltimien balanssisäätö
RS_A Laitteiston paikallinen Modbus A -signaali AHS Jälkilämmityksen säätö
RS_B Laitteiston paikallinen Modbus B -signaali %RH Sisäinen kosteusanturi
NTC Ulkoisen lämpötila-anturin liitin %RH CO2 Sisäinen kosteus- ja hiilidioksidianturi
D/l1 Digitaalinen tulo 1 R1 Jälkilämmitysvastus 90 °C ja 130 °C ylikuumenemissuojilla
D/l2 Digitaalinen tulo 2
Taulukko 1. Johtojen värit
Koodi Väri Koodi Väri
BK Musta GN Vihreä
BU Sininen RD Punainen
BN Ruskea YE Keltainen
WT Valkoinen YEGN Keltavihreä