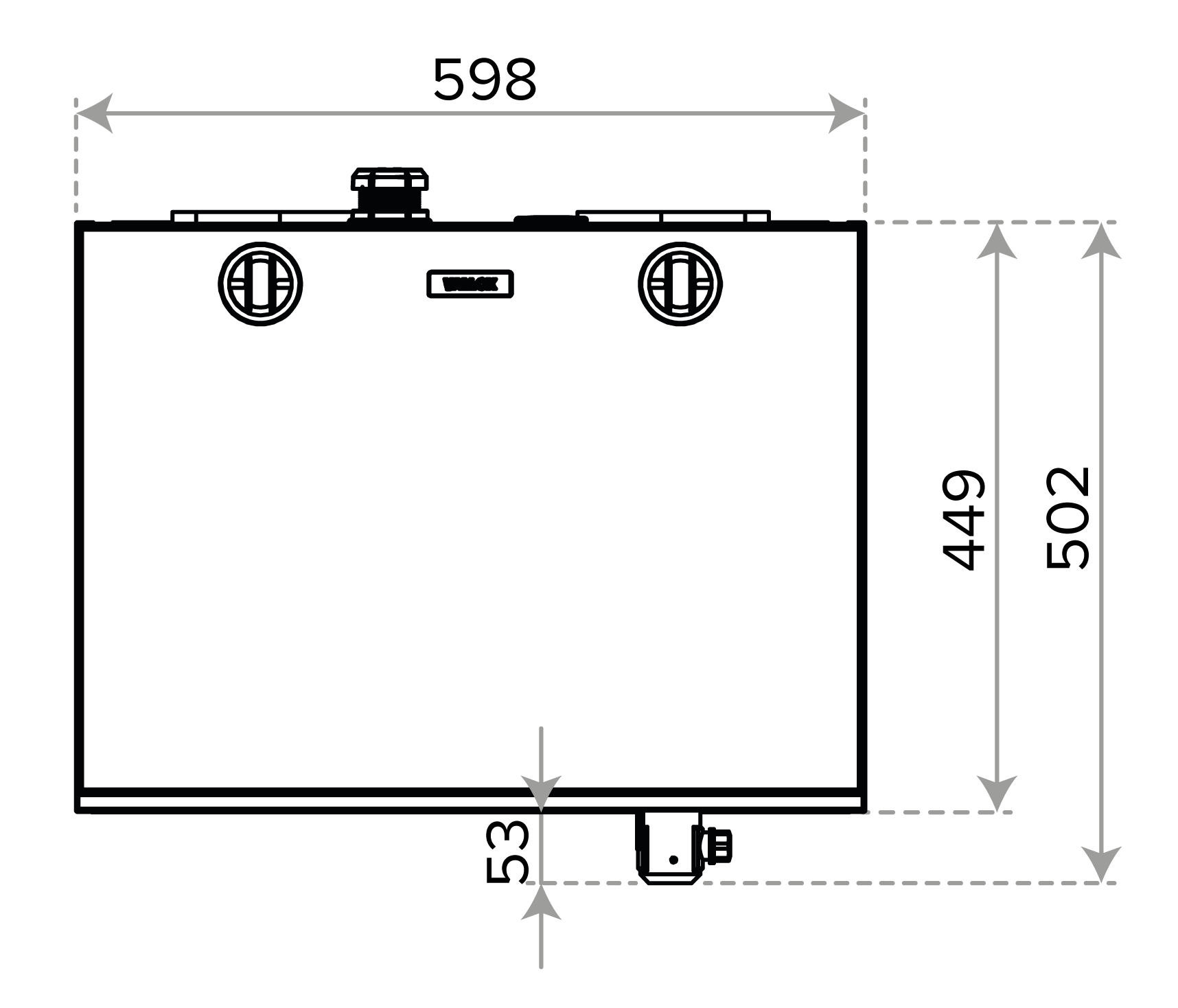
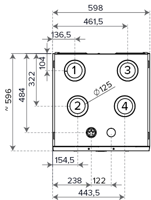
Dimensions and duct outlets


Inner diameter of the female collar ∅ 125 mm (R and L models).
Duct outlets, R model
- 1
- Supply air from the unit to the apartment
- 2
- Extract air from the apartment to the unit
- 3
- Exhaust air flowing outdoors from the unit
- 4
- Outdoor air to the unit
Duct outlets, L model
- 1
- Exhaust air flowing outdoors from the unit
- 2
- Outdoor air to the unit
- 3
- Supply air from the unit to the apartment
- 4
- Extract air from the apartment to the unit

