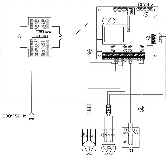
Intern elkoppling

A Moderkort D/l2 Digital ingång 2
B
  1. Frånluftsfläkt Tako (WT)
  2. GND (GN)
  3. Frånluftsfläkt PWM (YE)
  4. Tilluftsfläkt Tako (WT)
  5. GND (GN)
  6. Tilluftsfläkt PWM (YE)
11V1 11,1 V driftspänning
C
  1. Frånluft
  2. Uteluft
  3. Tilluft
  4. Avluft
  5. Tilluft från värmeväxlaren
AN/I Analog ingång 0–10 VDC
D LAN RM/I 24 V reläets ingång
MB_A Extern Modbus A-signal RM/O 24 V reläets utgång
MB_B Extern Modbus B-signal T Tilluftsfläkt
+24 V +24 V likströmsspänning (DC) P Frånluftsfläkt
GND Digital och analog landspotential M Spjällmotor
RS_A Aggregatets lokala Modbus A-signal AHS Eftervärmningsreglering
RS_B Aggregatets lokala Modbus B-signal CO2 Intern koldioxidgivare
NTC Den yttre temperaturgivarens kopplingsstycke %RH Intern fuktighetsgivare
D/l1 Digital ingång 1 R1 Eftervärmningsmotstånd med 90 °C och 130 °C överhettningsskydd
Tabell 1. Kabelfärger
Kod Färg Kod Färg
BK Svart GY Grå
BU Blå YE Gul
BN Brun YEGN Gulgrön
WT Vit