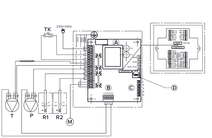
Intern elkoppling

A Moderkort AN/I Analog ingång 0–10 VDC
B
  1. Frånluftsfläkt Tako (WT)
  2. GND (GN)
  3. Frånluftsfläkt PWM (YE)
  4. Tilluftsfläkt Tako (WT)
  5. GND (GN)
  6. Tilluftsfläkt PWM (YE)
RM/I 24 V reläets ingång
C
  1. Frånluft
  2. Uteluft
  3. Tilluft
  4. Avluft
  5. Tilluft från värmeväxlaren
RM/O 24 V reläets utgång
D LAN T Tilluftsfläkt
MB_A Extern Modbus A-signal P Frånluftsfläkt
MB_B Extern Modbus B-signal M Spjällmotor
+24 V +24 V likströmsspänning (DC) TK Säkerhetsbrytare
GND Digital och analog landspotential AHS Eftervärmningsreglering
RS_A Aggregatets lokala Modbus A-signal %RH Intern fuktighetsgivare
RS_B Aggregatets lokala Modbus B-signal %RH CO2 Intern fuktighets- och koldioxidgivare
NTC Den yttre temperaturgivarens kopplingsstycke R1 Eftervärmningsmotstånd med 90 °C och 130 °C överhettningsskydd
D/l1 Digital ingång 1 R2 Extra värmningsmotstånd med 90 °C och 130 °C överhettningsskydd
D/l2 Digital ingång 2 K Harmoniskt filter
11V1 11,1 V driftspänning
Tabell 1. Kabelfärger
Kod Färg Kod Färg
BK Svart GY Grå
BU Blå YE Gul
BN Brun YEGN Gulgrön
WT Vit