Siirry sisältöön
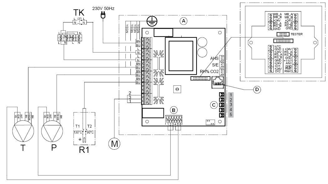
Sisäinen sähkökytkentä
- A
- Emokortti
- B
-
- Poistoilmapuhallin Tako (WT)
- GND (GN)
- Poistoilmapuhallin PWM (YE)
- Tuloilmapuhallin Tako (WT)
- GND (GN)
- Tuloilmapuhallin PWM (YE)
- C
-
- Poistoilma
- Ulkoilma
- Tuloilma
- Jäteilma
- Tuloilma LTO-kennosta
- D
- LAN
- MB_A
- Ulkoinen Modbus A -signaali
- MB_B
- Ulkoinen Modbus B -signaali
- +24V
- +24 V tasavirtajännite (DC)
- GND
- Digitaalinen ja analoginen maapotentiaali
- RS_A
- Laitteiston paikallinen Modbus A -signaali
- RS_B
- Laitteiston paikallinen Modbus B -signaali
- NTC
- Ulkoisen lämpötila-anturin liitin
- D/I1
- Digitaalinen tulo 1
- D/I2
- Digitaalinen tulo 2
- 11V1
- 11,1 V käyttöjännite
- AN/I
- Analoginen sisääntulotulo 0-10 VDC
- RM/I
- 24 V -releen sisäänmeno
- RM/O
- 24 V -releen ulostulo
- T
- Tuloilmapuhallin
- P
- Poistoilmapuhallin
- M
- Peltimoottori
- TK
- Turvakytkin
- AHS
- Jälkilämmityksen säätö
- S/E
- Puhaltimien balanssisäätö
- %RH CO2
- Sisäinen kosteus- ja hiilidioksidianturi
- R1
- Jälkilämmitysvastus 90 °C ja 130 °C ylikuumenemissuojilla