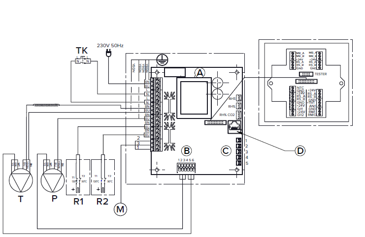
Sisäinen sähkökytkentä

A Emokortti AN/I Analoginen sisääntulotulo 0-10 VDC
B
  1. Poistoilmapuhallin Tako (WT)
  2. GND (GN)
  3. Poistoilmapuhallin PWM (YE)
  4. Tuloilmapuhallin Tako (WT)
  5. GND (GN)
  6. Tuloilmapuhallin PWM (YE)
RM/I 24 V -releen sisäänmeno
C
  1. Poistoilma
  2. Ulkoilma
  3. Tuloilma
  4. Jäteilma
  5. Tuloilma LTO-kennosta
RM/O 24 V -releen ulostulo
D LAN T Tuloilmapuhallin
MB_A Ulkoinen Modbus A -signaali P Poistoilmapuhallin
MB_B Ulkoinen Modbus B -signaali M Peltimoottori
+24V +24 V tasavirtajännite (DC) TK Turvakytkin
GND Digitaalinen ja analoginen maapotentiaali AHS Jälkilämmityksen säätö
RS_A Laitteiston paikallinen Modbus A -signaali %RH Sisäinen kosteusanturi
RS_B Laitteiston paikallinen Modbus B -signaali %RH CO2 Sisäinen kosteus- ja hiilidioksidianturi
NTC Ulkoisen lämpötila-anturin liitin R1 Jälkilämmitysvastus 90 °C ja 130 °C ylikuumenemissuojilla
D/l1 Digitaalinen tulo 1 R2 Lisälämmitysvastus 90 °C ja 130 °C ylikuumenemissuojilla
D/l2 Digitaalinen tulo 2 K Harmoninen suodatin
11V1 11,1 V käyttöjännite
Taulukko 1. Johtojen värit
KoodiVäriKoodiVäri
BK Musta GN Vihreä
BU Sininen RD Punainen
BN Ruskea YE Keltainen
WT Valkoinen YEGN Keltavihreä