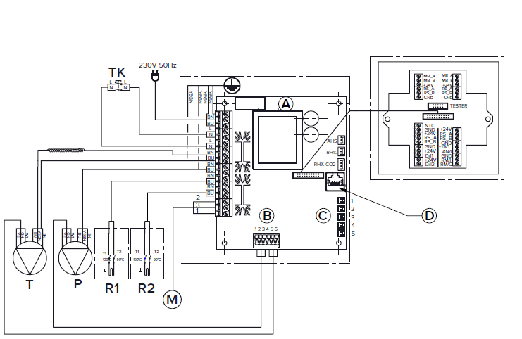
Sisemised elektriühendused

AEmaplaatAN/IAnaloogsisend 0–10 V DC
B
  1. Väljatõmbeventilaatori tahhomeeter (WT)
  2. GND (GN)
  3. Väljatõmbeventilaatori PWM (YE)
  4. Sissepuhkeventilaatori tahhomeeter (WT)
  5. GND (GN)
  6. Sissepuhkeventilaatori PWM (YE)
RM/I24 V releesisend
C
  1. Väljatõmbeõhk
  2. Välisõhk
  3. Sissepuhkeõhk
  4. Heitõhk
  5. Sissepuhkeõhk soojusvahetist
RM/O24 V releeväljund
DLANTSissepuhkeventilaator
MB_AVäline Modbus A signaalPVäljatõmbeventilaator
MB_BVäline Modbus B signaalMKlapi mootor
+24 V+24 V pinge (alalisvool)TKTurvalüliti
GNDDigitaal- ja analoogmaanduspotentsiaalAHSJärelkütte juhtimine
RS_AKohaliku riistvara Modbus A signaal%RHSisemine niiskusandur
RS_BKohaliku riistvara Modbus B signaal%RH CO2Sisemine niiskus- ja süsinikdioksiidiandur
NTCVälistemperatuurianduri ühendusR1Järelküttekalorifeer 90 °C ja 130 °C ülekuumenemiskaitsmega
D/l1Digitaalsisend 1R2Lisaküttekalorifeer 90 °C ja 130 °C ülekuumenemiskaitsmega
D/l2Digitaalsisend 2 KHarmooniliste komponentide filter
11V111,1 V tööpinge
Tabel 1. Kaabli värvid
Kood Värv Kood Värv
BK Must GY Hall
BU Sinine YE Kollane
BN Pruun YEGN Kollakasroheline
WT Valge