Jump to main content
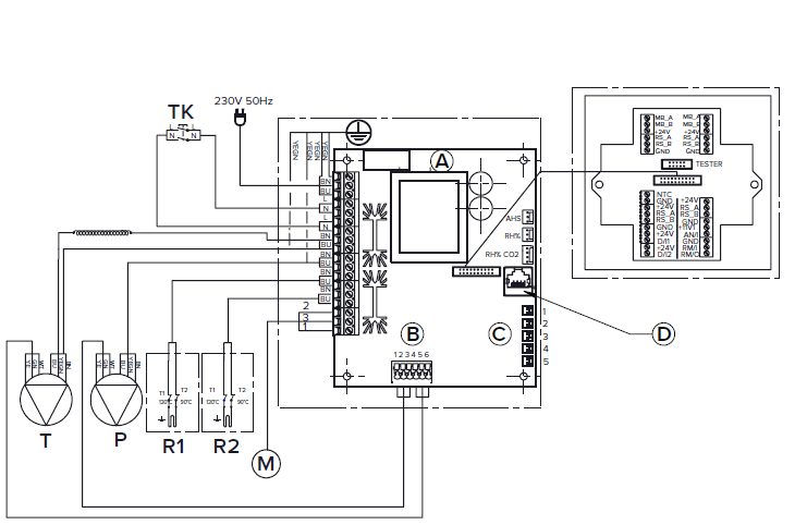
Internal electrical connection

- A
- Motherboard
- B
-
- Extract air fan tacho (WT)
- GND (GN)
- Extract air fan PWM (YE)
- Supply air fan tacho (WT)
- GND (GN)
- Supply air fan PWM (YE)
- C
-
- Extract air
- Outdoor air
- Supply air
- Exhaust air
- Supply air from the HR cell
- D
- LAN
- MB_A
- External Modbus A signal
- MB_B
- External Modbus B signal
- +24V
- +24V voltage (DC)
- GND
- Digital and analog ground potential
- RS_A
- Local hardware Modbus A signal
- RS_B
- Local hardware Modbus B signal
- NTC
- External temperature sensor connector
- D/I1
- Digital input 1
- D/I2
- Digital input 2
- 11V1
- 11.1 V operating voltage
- AN/I
- Analog input 0-10 VDC
- RM/I
- 24V relay input
- RM/O
- 24V relay output
- T
- Supply air fan
- P
- Extract air fan
- M
- Damper motor
- TK
- Safety switch
- AHS
- Post-heating control
- %RH
- Internal humidity sensor
- %RH CO2
- Internal humidity and carbon dioxide sensor
- R1
- Post-heating resistor with 90°C and 130°C overheating protection
- R2
- Additional heating resistor with 90°C and 130°C overheating protection
- K
- Harmonic filter