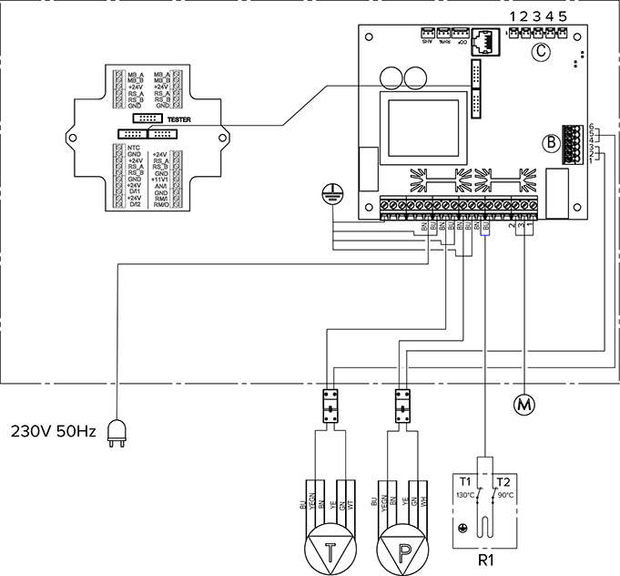
Wewnętrzne połączenie elektryczne

APłyta głównaD/l2Wejście cyfrowe 2
B
  1. Szybkościomierz wentylatora powietrza wywiewanego (WT)
  2. GND (GN)
  3. PWM wentylatora powietrza wywiewanego (YE)
  4. Szybkościomierz wentylatora powietrza nawiewanego (WT)
  5. GND (GN)
  6. PWM wentylatora powietrza nawiewanego (YE)
11V1Napięcie eksploatacyjne 11,1 V
C
  1. Powietrze wywiewane
  2. Powietrze zewnętrzne
  3. Powietrze nawiewane
  4. Powietrze usuwane
  5. Powietrze nawiewane z wymiennika ciepła
AN/IWejście analogowe 0–10 VDC
DLANRM/IWejście przekaźnika 24 V
MB_AZewnętrzny sygnał Modbus ARM/OWyjście przekaźnika 24 V
MB_BZewnętrzny sygnał Modbus BTWentylator powietrza nawiewanego
+24 VNapięcie +24 V (DC)PWentylator powietrza wywiewanego
GNDPotencjał uziemienia analogowego i cyfrowegoMSilnik przepustnicy
RS_ALokalny sprzętowy sygnał Modbus AAHSSterowanie nagrzewaniem wtórnym
RS_BLokalny sprzętowy sygnał Modbus BCO2Wewnętrzny czujnik dwutlenku węgla
NTCZłącze zewnętrznego czujnika temperatury%RHWewnętrzny czujnik wilgotności
D/l1Wejście cyfrowe 1R1Grzałka dogrzewająca z ochroną przed przegrzewaniem 90°C oraz 130°C
Tabela 1. Kolory przewodów
Kod Kolor Kod Kolor
BK Czarny GY Szary
BU Niebieski YE Żółty
BN Brązowy YEGN Żółto-zielony
WT Biały