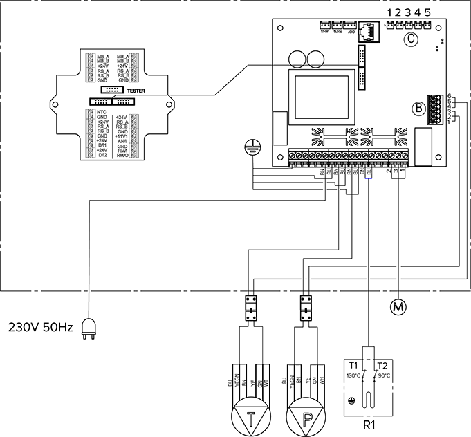
Vidinė elektros jungtis

AMotininė plokštėD/l22 skaitmeninė įvestis
B
  1. Ištraukiamo oro ventiliatoriaus tachometras (WT)
  2. Įžeminimas (GN)
  3. Ištraukiamo oro ventiliatoriaus PWM (YE)
  4. Tiekiamo oro ventiliatoriaus tachometras (WT)
  5. Įžeminimas (GN)
  6. Tiekiamo oro ventiliatoriaus PWM (YE)
11V111,1 V veikimo įtampa
C
  1. Ištraukiamas oras
  2. Išorės oras
  3. Tiekiamas oras
  4. Išleidžiamas oras
  5. Tiekiamas oras iš ŠA elemento
AN/IAnaloginė įvestis 0–10 V NS
DLANRM/I24 V relės įėjimas
MB_AIšorinio „Modbus“ A signalasRM/O24 V relės išėjimas
MB_BIšorinio „Modbus“ B signalasTTiekiamo oro ventiliatorius
+24 V+24 V įtampa (NS)PIštraukiamo oro ventiliatorius
GNDSkaitmeninis ir analoginis įžeminimo potencialasMSklendės variklis
RS_AVietos techninės įrangos „Modbus“ A signalasAHSBaigiamojo šildymo valdymas
RS_BVietos techninės įrangos „Modbus“ B signalasCO2Vidinis anglies dioksido jutiklis
NTCIšorinio temperatūros jutiklio jungtis%RHVidinis drėgnio jutiklis
D/l11 skaitmeninė įvestisR1Baigiamojo šildymo rezistorius su apsauga nuo perkaitimo 90 °C ir 130 °C
Lentelė 1. Laidų spalvos
Kodas Spalva Kodas Spalva
BK Juoda GY Pilka
BU Mėlyna YE Geltona
BN Ruda YEGN Geltona / žalia
WT Balta