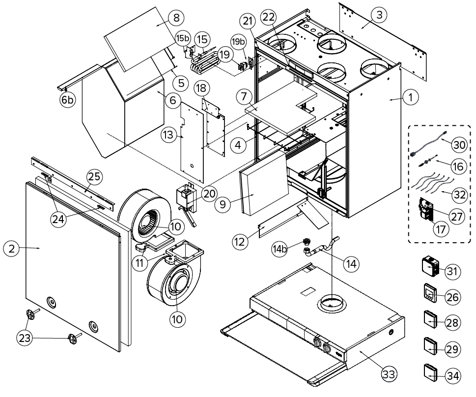
| 1 |
Sivulevy |
| 2 |
Ovi |
| 3 |
Seinäkiinnityslevy |
| 4 |
Suodatinteline
(tuloilman karkeasuodatin) |
| 5 |
Suodatinteline
(poistoilman karkeasuodatin) |
| 6 |
LTO-kenno |
| 6b |
LTO-kennon
ylätiivistyslista |
| 7 |
Tuloilman karkeasuodatin |
| 8 |
Poistoilman karkeasuodatin |
| 26.5.2014
asti |
| 27.5.2014
alkaen |
| 9 |
Tuloilman hienosuodatin |
| 10 |
Puhallin |
| 11 |
Puhaltimen
tukikumi |
| 12 |
Kesä-/talvipellin
kokoonpano (kätisyys ilmoitettava
tilatessa) |
| 13 |
Sähkökotelon
kansi |
| 14 |
Vesilukko Vallox
Silent Klick |
| 14b |
Laippanipan
kokoonpano |
| 15 |
Jälkilämmitysvastus |
| 15b |
Jälkilämmitysvastuksen kiinnike (kätisyys
ilmoitettava tilatessa) |
| 16 |
Sisäinen kosteus- ja
hiilidioksidianturi |
| 17 |
Emokortti |
| 18 |
Emokortin
kiinnitysalusta |
| 19 |
Turvakytkin |
| 19b |
Turvakytkimen
kotelo |
| 20 |
Peltimoottori |
| 21 |
Koneen yläosan
etupaneeli |
| 22 |
Nimikyltti |
| 23 |
Sormiruuvit |
| 24 |
Peiteoven
kiinnike |
| 25 |
Peiteoven
kiinnityslista |
| 26 |
MyVallox
-ohjain |
| 27 |
Lasiputkisulake 80
mA hidas 5x20 mm |
| 28 |
MyVallox-kosteusanturi (lisävaruste) |
| 29 |
MyVallox-hiilidioksidianturi (lisävaruste) |
| 30 |
RJ45-jatkokaapeli |
| 31 |
Kytkentäkotelon
kokoonpano |
| 32 |
NTC-anturisarja |
| 33 |
Liesikupu |
| 31 |
MyVallox VOC-anturi
(lisävaruste) |