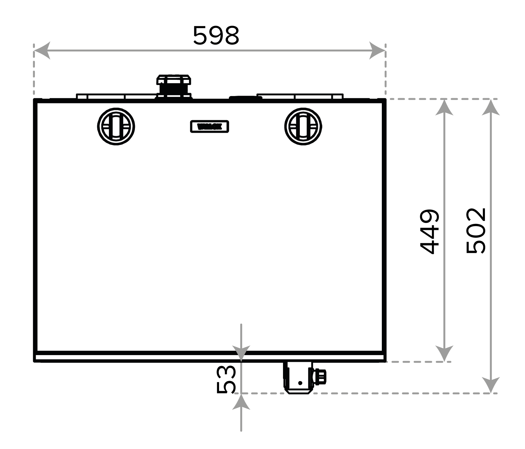
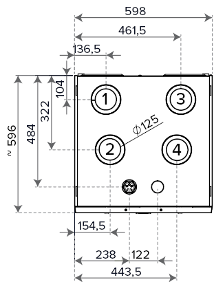
Mitat ja kanavalähdöt
Naaraslähtökauluksen sisähalkaisija ∅ 125 mm (sekä R-malli että L-malli).
Kanavalähdöt, R-malli
- 1
- Tuloilma koneesta asuntoon
- 2
- Poistoilma asunnosta koneeseen
- 3
- Jäteilma koneesta ulos
- 4
- Ulkoilma koneeseen
Kanavalähdöt, L-malli
- 1
- Jäteilma koneesta ulos
- 2
- Ulkoilma koneeseen
- 3
- Tuloilma koneesta asuntoon
- 4
- Poistoilma asunnosta koneeseen
