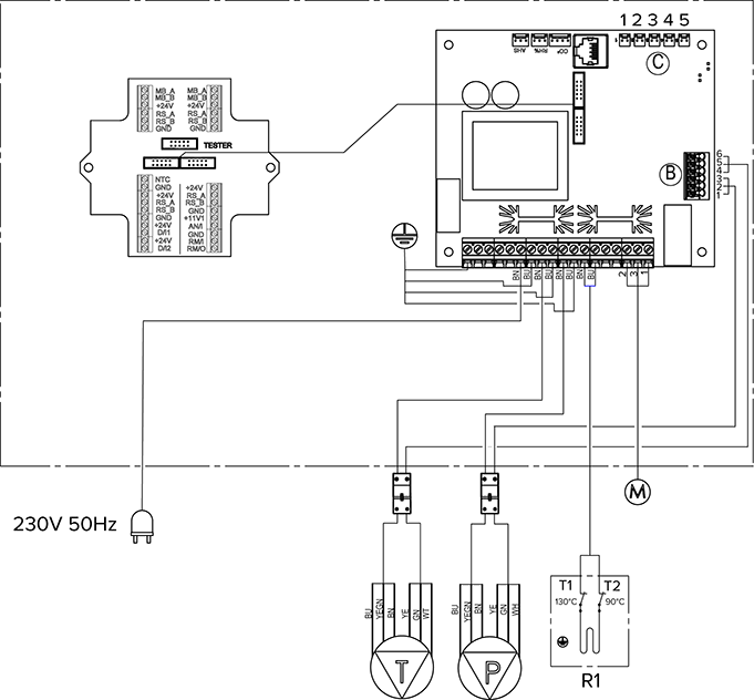
Sisemised elektriühendused

AEmaplaatD/l2Digitaalsisend 2
B
  1. Väljatõmbeventilaatori tahhomeeter (WT)
  2. GND (GN)
  3. Väljatõmbeventilaatori PWM (YE)
  4. Sissepuhkeventilaatori tahhomeeter (WT)
  5. GND (GN)
  6. Sissepuhkeventilaatori PWM (YE)
11V111,1 V tööpinge
C
  1. Väljatõmbeõhk
  2. Välisõhk
  3. Sissepuhkeõhk
  4. Heitõhk
  5. Sissepuhkeõhk soojusvahetist
AN/IAnaloogsisend 0–10 V DC
DLANRM/I24 V releesisend
MB_AVäline Modbus A signaalRM/O24 V releeväljund
MB_BVäline Modbus B signaalTSissepuhkeventilaator
+24 V+24 V pinge (alalisvool)PVäljatõmbeventilaator
GNDDigitaal- ja analoogmaanduspotentsiaalMKlapi mootor
RS_AKohaliku riistvara Modbus A signaalAHSJärelkütte juhtimine
RS_BKohaliku riistvara Modbus B signaalCO2Sisemine süsinikdioksiidiandur
NTCVälistemperatuurianduri ühendus%RHSisemine niiskusandur
D/l1Digitaalsisend 1R1Järelküttekalorifeer 90 °C ja 130 °C ülekuumenemiskaitsmega
Tabel 1. Kaabli värvid
Kood Värv Kood Värv
BK Must GY Hall
BU Sinine YE Kollane
BN Pruun YEGN Kollakasroheline
WT Valge