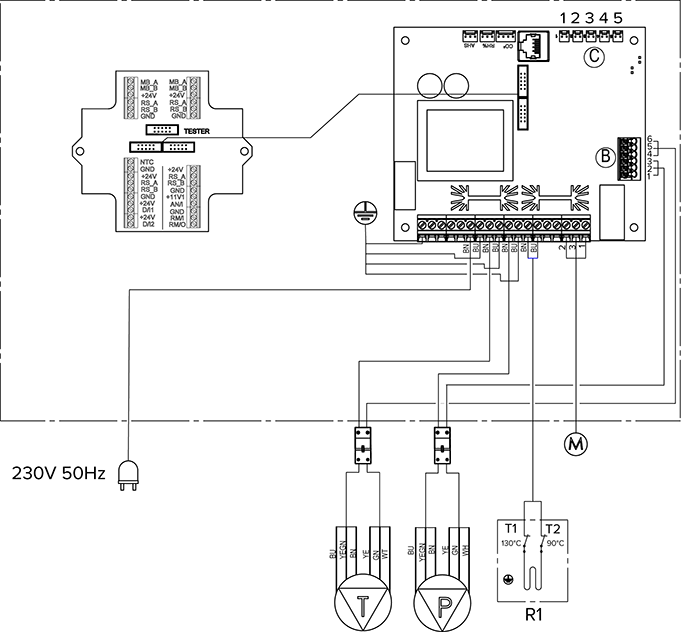
Intern eltilslutning

ABundkortD/l2Digital indgang 2
B
  1. Fraluftventilator-takometer (WT)
  2. GND (GN)
  3. Fraluftventilator PWM (YE)
  4. Tilluftventilator-takometer (WT)
  5. GND (GN)
  6. Tilluftventilator PWM (YE)
11V111,1 V driftsspænding
C
  1. Fraluft
  2. Udeluft
  3. Tilluft
  4. Afkastluft
  5. Tilluft fra varmeveksler
AN/IAnalog indgang 0– 10 V
DLANRM/I24 V relæindgang
MB_AEkstern Modbus A-signalRM/O24 V relæudgang
MB_BEkstern Modbus B-signalTTilluftventilator
+24 V+24 V spænding (DC)PFraluftventilator
GNDDigitalt og analogt jordpotentialeMDæmpermotor
RS_ALokal hardware modbus A-signalAHSEftervarmestyring
RS_BLokal hardware modbus B-signalCO2Intern CO2-sensor
NTCEkstern temperatursensorkonnektor%RHIntern fugtsensor
D/l1Digital indgang 1R1Eftervarmningsmodstand med 90 °C og 130 °C overophedningsbeskyttelse
Tabel 1. Kabelfarver
Kode Farve Kode Farve
BK Sort GY Grå
BU Blå YE Gul
BN Brun YEGN Gul-grøn
WT Hvid